Stihl carburetor diagram fuel bg75 line parts lines replacement fix ts420 filter carb list wiring leak grommets lawn equipment close. No it pulls a vacuum on carb.
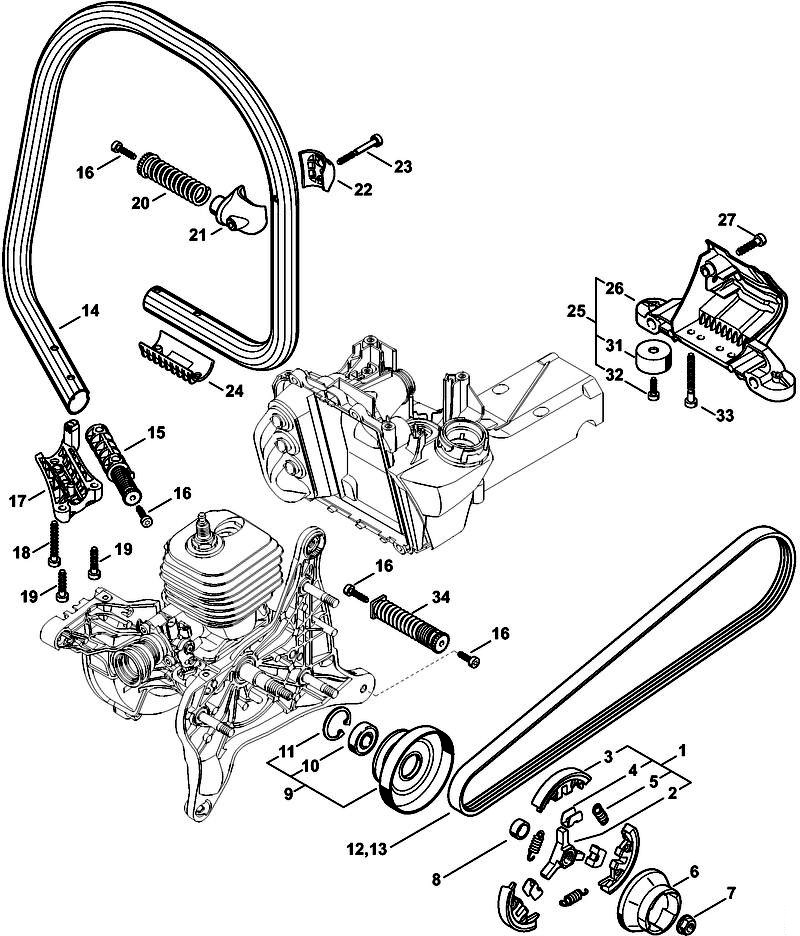
All parts that fit a ts 420 a disc cutter.
Stihl ts420 fuel line diagram. (sr420) parts diagram, fuel tank look at the diagram and find parts that fit a stihl sr 420 mistblower, or refer to the list below. Stihl re 140 k, re 160 k service repair manual. New stihl fuel line tuneup service kit kit comes with air filter spark plug fuel filter and stihl.
Pull the fuel filter at the bottom of the tank upward using the metal hook. Service manual stihl ts 410 420.pdf. The primer bulb forces fuel back into the tank to pressurize it correct?
Select a page from the stihl ts 420 a disc cutter diagram to view the parts list and exploded view diagram. Pull the fuel filter off the end of the suction hose. If anyone has a diagram that would be a big help.
Fuel 31 fueling 32 starting / stopping the engine 33 air filter system 35 engine management 36 adjusting the carburetor 37 (rrp £157.81 save 15%) £134.14 (£160.97) Stihl ts410 clutch handlebar parts diagram.
Stihl ts420 fuel line diagram. Proline® primer bulb for stihl ts410 and ts420 cutquik saw 4238 350 6201 $12.95 $7.95 proline® decompression valve for stihl ts400 ts410 ts420 cutquik® saw concrete saw 4223 020 9400 $12.95 $7.95 proline® fuel line and fuel filter kit for stihl ts410, ts420 cutquik concrete saw 4238 358 7700 $19.95 $12.95 Fuel 36 fueling 38 starting / stopping the engine 39 air filter system 41 engine management 42 adjusting the carburetor 43 spark arresting screen in muffler 44
On the ts420 i need to know if the welsh plug on the slow mixture side is necessary and how the fuel lines should be connected. Select a page from the stihl ts 420 a disc cutter (ts 420 a) exploaded view parts diagram to find and buy spares for this machine. Adhesives aersols airline parts assortment kits batteries bolts cable & couplings cable ties capacitors drill bits fuel line fuel taps fuses grease nipples hose clips hoses & fittings hygiene products ignition switches keys.
All parts that fit a ts 420 a disc cutter. Remove both fuel lines from the rear of the primer bulb assembly as well. Anyone have a picture on the ts420 fuel lines and where.
Ts410 ts420 [az_8847] stihl 029 parts diagram stihl ts400 parts list free diagram inkl.unho.phae.mohammedshrine.org. All parts that fit a sr 420 mistblower. Jun 5, 2015 #2 this will help.
Stihl fs 500, fs 550 service repair manual. I am hoping for a copy of the service manuals for both if possible. Fueling instructions in order to reduce the risk of burns and other personal injury from escaping gas vapor and fumes remove the fuel filler.
View stihl sr 420 mistblower (sr420) parts diagram , fuel tank to easily locate and buy the spares that fit this machine. Drain all old fuel back into an approved fuel container. Stihl re 360 k service repair manual.
Stihl ts410 connector, guard parts diagram. Stihl carburetor diagram fuel bg75 line parts lines replacement fix ts420 filter carb list wiring leak grommets lawn equipment close. Stihl ts410 ts420 clutch assembly www.seddonplant.co.uk.
Open the fuel tank cap. Stihl fe 35, fe 40, fe 55, ec 70 service repair manual. No it pulls a vacuum on carb.
020t chainsaw that needs rebuilding. Stihl re 270 k, re 280 k service repair manual. For more useful information please take a look at my website: