Hi i have a 1992 mercedes benz 300e 2.6 with the m103 engine,i’m having some trouble with the a/c. Power seats mercedes benz c280 wiring diagram power seats.
It’s always better to have too much wire than not enough.
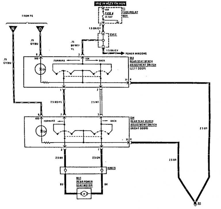
Mercedes power seat wiring diagram. So i think i�d splice wht/red to ws/rt. Mercedes w124 power seat wiring diagram wiring diagrams mercedes benz w203 wiring diagrams furthermore mercedes schematics moreover mercedes a class wiring diagram. I do have a wiring diagram ,however this one is not showing a connection between the auxiliary fan relay and the mas relay.the reason why i need it is because the diagram i have shows me 5 wires comming out of the auxiliary relay and checking it there are only 4 wires and.
The wht/red wire runs from the srs module to the seat. Although, the adjuster lever position is ergonomic, a button located on the armrest or the dashboard to bring about the desired adjustments is more. Front passenger front seat adjustment control unit with memory:
Thanks, all help is appreciated. For instance , if a module is usually powered up and it sends out a new signal of half the voltage and the technician will not know this, he would think he has a challenge, as he would expect. I need to double check that though.
Here is the wiring diagram for the power seat. Nedd wire diagram for power seats. The module has an lcd voltage and current (to 2a) display, b.
Discussion starter · #3 · dec 7, 2010. Mercedes power seat wiring diagram source: Retrofitting heated seats wiring harness confusion mercedes benz forum :
It’s always better to have too much wire than not enough. They both have 1 wire in and 1 wire out. I know the vio/wht wire runs through the fuse box to the airbag indicatior light on the e36.
The forward and backward is manual. Unfortunately the seat diagram you sent me has only up and down movements. W220.ee read cabling diagrams from unfavorable to positive in addition to redraw the routine being a straight collection.
Since a rule of thumb, you’ll want to have wiring that is very long to extend 3 inches outside of the electrical box. 1994 mercedes c280 underhood wiring diagram power wires from the computer to the coils have been chewed by a rodent and i cant replace them with out a diagram or wire colors and pin #�s for. Mercedes power seat wiring diagram to properly read a electrical wiring diagram, one offers to learn how the particular components in the system operate.
Circuit 30 connector sleeve, keyless go. 1985 190e mercedes power seat switch color coded wiring diagram. A mercedes w124 that would not move at all with the seat switch.
Power seats mercedes benz c280 wiring diagram power seats. How to remove the power seat control module on a. Full 40 minute power seat on demand repair video manual available here:
1994 mercedes c280 underhood wiring diagram power wires from the computer to the coils have been chewed by a rodent and i cant replace them with out a diagram or wire colors and pin s for the computer. This is an example of how i was able to power a driver seat in a mercedes w124 that would not move at all with the seat switch. There are wire extensions available if you finish up cutting them short, but the wiring will work better if it is intact.
Hi i have a 1992 mercedes benz 300e 2.6 with the m103 engine,i’m having some trouble with the a/c. Posted by amironchu154 on dec 05, 2010. I would appreciate if somebody provided me with a wiring diagram and/or pictures of the plugs and the wire designations.
Use this information for installing car alarm, remote car starters and. Comfortable 2008 mercedes c300 wiring | cool mercedes w140. Mercedes power seat wiring diagram :
Discussion starter · #1 · feb 16, 2010. I thought all c240 were like mine, with all movements motorized and with memory. So during my power seat swap, i rushed through clipping the wires into the plugs and into the seats/switches.