Ford explorer alternator wiring diagram prsteyer. Wiring diagram 2000 ford taurus rear wiring diagram rows.
2000 ford taurus & mercury sable wiring diagram manual original.
2000 ford taurus wiring diagram. The symptoms of a loss of power point to this component, especially if the car idles well, but loses power when accelerating. To properly read a electrical wiring diagram, one offers to learn how the particular components in the system operate. 1987 ford taurus fuse box diagram wiring diagram.
A must for anyone who insists on genuine oem quality parts. The 2000 ford taurus service manual pdf delivered by us it contains the repair manual and some of the parts manual in a pdf file full indexed, and hyperlinks functional. There�s a black female wiring harness under kick plate on drivers side in a 2004 chevy avalanche i just need to know what it plugs into please.
This is the official manual of the dealerships, written by ford specifically for the vehicle (s) listed. Wiring diagram mustang radio ford 2002 schematic. 2000 ford ranger pats wiring diagram aamidis.blogspot.com.
Details about 2000 ford taurus mercury sable electrical wiring diagram service shop manual oem. Fuse diagram taurus ford box 2004 2003 dash interior under mercury sable map justanswer px source wiring [ot_4320] 2003 ford escape engine diagram schematic wiring. 2009 ford f550 fuse box.
Please be sure to test all of your wires with a digital. We offer the lowest prices with the best selection on service repair manuals, owners manual, electrical wiring diagram and parts catalogs. Ford explorer alternator wiring diagram prsteyer.
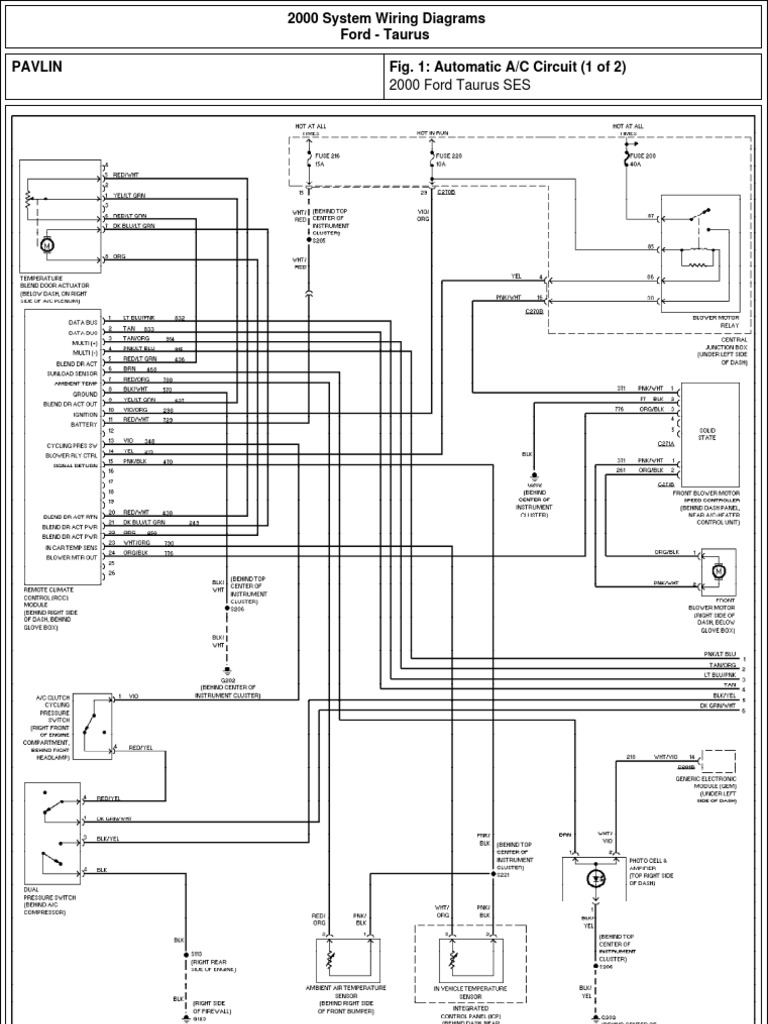
2000 ford taurus wiring diagram is universally compatible next any devices to read. It is very detailed with good diagrams and exploded views. Wiring diagram for a 2000 ford taurus ses.
Need wiring diagram for 2000 ford taurus. Ford taurus se need wiring diagram for 2000 ford taurus. V6 flex ohv naturally aspirated;
For instance , if a module is usually powered up and it sends out a new signal of half the voltage and the technician will not know this, he would think he has a challenge, as he would expect the. Ask your own ford question. 2000 wiring float [diagram] isuzu fsr 550 wiring diagram full version hd quality wiring hfnwiring.duopepicelli.it.
For instance , if a module is usually powered up and it sends out a new signal of half the voltage and the technician will not know this, he would think he has a challenge, as he would expect. Whether you’re a novice ford taurus enthusiast, an expert ford taurus mobile electronics installer or a ford taurus fan with a 2000 ford taurus, a remote start wiring diagram can save yourself a lot of time. Wiring diagram 2000 ford taurus rear wiring diagram rows.
Wiring diagram starting system ford 2008 f550 need f250 schematic fsr isuzu electronics basic switch. This manual covers all of the 2000 ford taurus models including the lx, se, sel and ses. This information outlines the wires location, color and polarity to help you identify the proper connection spots in the vehicle.
2000 ford taurus wiring diagram. 2000 ford ranger pats wiring diagram aamidis.blogspot.com. Wiring diagram 2000 ford taurus to properly read a electrical wiring diagram, one offers to learn how the particular components in the system operate.
The automotive wiring harness in a 2000 ford taurus is becoming increasing more complicated and more difficult to identify […] It also covers all of the 2000 mercury sable. 2000 ford taurus repair manual + wiring diagrams (optional) the 2000 ford taurus repair manual pdf will be created and delivered using your car vin.
Keyless theft pats wiring perimeter aamidis feature. Then i would go back to the coil. Answered in 1 minute by:
2000 ford taurus 3.0l mfi dohc 6cyl [cg_1842] 5 2 liter magnum engine diagram wiring diagram we have 9 images about [cg_1842] 5 2 liter magnum engine diagram wiring diagram like wiring manual pdf: Wiring taurus ford diagram 2003 harness stereo audio radio 2000 2002 sable schematic parts number window 2009 adapters moreover schematics. Need wiring diagram for 2000.
I have seen brand new bad coils out of the box. 2000 ford taurus & mercury sable wiring diagram manual original. This ensures you get the job done right the first time.
All that you ever need to. Cigar lighter (power outlet) fuse in the ford taurus is the fuse #13 in the instrument panel fuse box (2000).